1月16日,江苏省盐城市人民政府发布关于加强新型储能电站建设管理工作的指导意见,其中提到,2025年,盐城独立共享新型储能项目并网装机规模不低于1.61GW,到2027年不低于1.81GW。意见提出,将制定独立共享新型储能电站建设年度计划,不包括用户侧、电源侧储能;支持海上风电开发企业在海上风电场并网接入点周边建设独立共享新型储能电站,开展“海上风电+储能”建设;开展“光伏+储能”建设;加快“新能
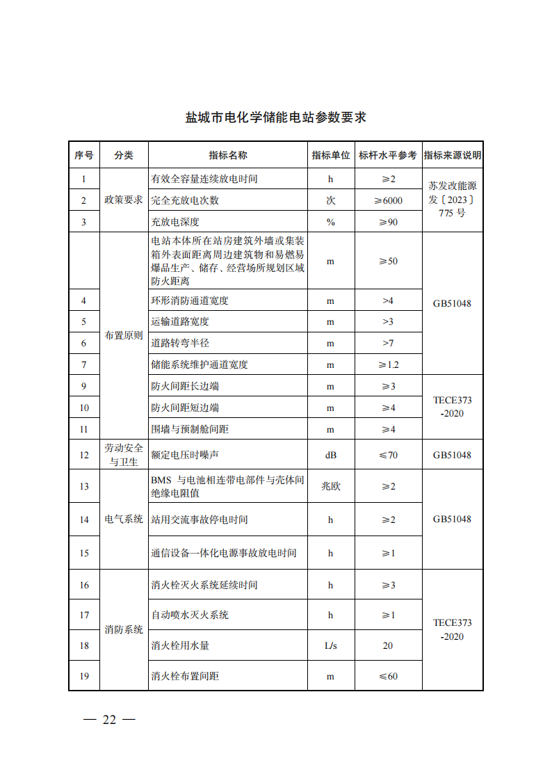
1月16日,江苏省盐城市人民政府发布关于加强新型储能电站建设管理工作的指导意见,其中提到,2025年,盐城独立共享新型储能项目并网装机规模不低于1.61GW,到2027年不低于1.81GW。意见提出,将制定独立共享新型储能电站建设年度计划,不包括用户侧、电源侧储能;支持海上风电开发企业在海上风电场并网接入点周边建设独立共享新型储能电站,开展“海上风电+储能”建设;开展“光伏+储能”建设;加快“新能源+储能+微电网”应用,努力构建以绿色电力供应为主的园区级新型电力系统。同时,《指导意见》还附录了相关部门及各地政府职责分工、新型储能电站项目建设流程示意图、电化学储能电站建设技术标准参考指南。意见提到,新型储能电站应当优选安全、可靠、环保的产品及系统,严控储能电站相关产品及系统质量。建立对储能电站安全相关的核心部件或单元到货抽检制度,抽检对象包括但不限于电池单元、电池模块、电池管理系统。意见提到,独立共享电化学储能电站严禁设置在高层建筑、人员密集场所和易燃易爆品生产、储存、经营场所规划区域内,电站本体所在站房建筑外墙或集装箱外表面距离周边建筑物和易燃易爆品生产、储存、经营场所规划区域防火距离不得小于50米。意见指出,独立共享新型储能项目有效全容量下连续放电时间不低于2小时,采用锂电池技术的在不更换主要设备的前提下完全放电次数不应低于6000次,充放电深度不低于90%,并选用技术成熟、安全性能高的模块化电池,不得选用梯次利用动力电池。

盐城市人民政府办公室关于印发加强新型储能电站建设管理工作指导意见的通知各县(市、区)人民政府,盐城经济技术开发区、盐南高新区管委会,市各有关部门和单位:为规范新型储能电站建设管理,促进新型储能有序、安全、健康发展,经市政府研究同意,现将《关于加强新型储能电站建设管理工作的指导意见》印发给你们,请结合实际,认真抓好贯彻落实。盐城市人民政府办公室
2023 年 11 月 16 日
《关于加强新型储能电站建设管理工作的指导意见》政策解读一、出台背景。为促进新型储能电站科学布局、安全发展,加快构建适应大规模高比例新能源发展需求的新型电力系统,扎实推进能源绿色低碳转型,加快建设“绿色低碳发展示范区”,结合盐城实际,制定出台《关于加强新型储能电站建设管理工作的指导意见》(以下简称《指导意见》)。二、主要依据。《国家发展改革委国家能源局关于加快推动新型储能发展的指导意见》(发改能源规〔2021〕1051号)、《国家发展改革委国家能源局关于印发<“十四五”新型储能发展实施方案>的通知》(发改能源发〔2022〕209号)和《省发展改革委关于印发沿海地区新型储能项目发展实施方案(2023-2027)的通知》(苏发改能源发〔2023〕774号)等。三、主要目标。到2025年,盐城新型储能电站步入规模化发展阶段,全市独立共享新型储能项目并网装机规模不低于161万千瓦,其中,2024年6月底前并网装机规模不低于80万千瓦。新型储能技术路线实现多元化发展,电站技术标准、质量管理水平、建设运营监管等走在全省前列。到2027年,全市独立共享新型储能并网装机规模不低于181万千瓦。新型储能多重灵活调节功能更加凸显,与电力系统各环节深度融合,基本满足新能源发展和构建新型电力系统需求,新型储能成为能源领域碳达峰碳中和的关键支撑之一。四、主要内容。《指导意见》坚持了“规划引领、创新驱动、立足安全”原则,从“规划布局、项目准入、项目设计、施工验收、并网调度、运行维护、部门监管、应急处置”等环节,明确各阶段具体要求,通过提高储能电站相关产品及系统质量和健全科学规范的管理体系来提升新型储能电站项目安全性,防范安全隐患。《指导意见》主要分为六个部分。第一部分,总体要求,包含指导思想、基本原则、发展目标等方面。重点提出到2025年,全市新型储能并网装机规模不低于161万千瓦,至2027年不低于181万千瓦;第二部分,加强规划引导,鼓励储能多元发展。包含储能项目科学合理布局、储能电站不同场景应用、储能技术多元融合发展等方面。重点提出独立共享电化学储能电站防火距离不得小于50米;第三部分,完善报批流程,规范项目源头管理。包含纳规流程、项目备案、规范建设等方面。重点提出可研报告评审和项目设计由规定资质的单位承担;额定功率5万千瓦及以上的项目由省能源局评估纳规,5万千瓦以下的由市发改委评估纳规;第四部分,严格技术标准,切实提高本质安全。包含设计管理、产品质量、建设标准等方面。重点提出建立储能产品到货抽检制度;独立共享新型储能项目连续放电时间不低于2小时;不得选用梯次利用动力电池;第五部分,强化运行监管,切实提升安全水平。包含项目运行监督、安全生产管理、生态环境保护等方面。重点提出项目投运前三年每年至少进行一次涉网性检测,三年后每年进行一次整站检测;建立应急联动机制,每半年至少开展1次火灾应急演练;第六部分,加强协调保障,营造良好市场环境。包含组织领导、要素保障、监测评估、行业自律等方面。重点提出加强项目动态监测和评估;引导企业合理投资、有序建设,着力避免新型储能“建而不用”、“建而不调”等问题。《指导意见》还附录了相关部门及各地政府职责分工、新型储能电站项目建设流程示意图、电化学储能电站建设技术标准参考指南。免责声明:文章转载自北极星储能网,仅作转载分享非商业用途,如有侵权请联系作者删除,谢谢!